4

I am a student in 10th class. I have joined my school's science club and I am trying to design a circuit for buzzers to be used in quiz. With normal buzzers, it sometimes becomes difficult to tell that which team pressed the switch first. So I have made a circuit diagram in which When the first buzzer is pressed, all other swicthes will turn off.

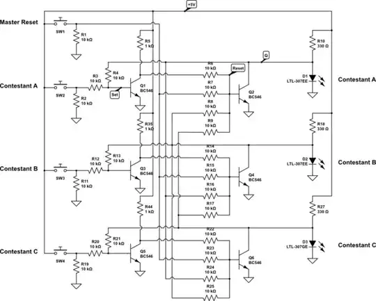
This is the circuit diagram:

circuit diagram

I have never made a circuit using transistors so I don't know weather it will work or not.

I have to make it on next Saturday (10th May, 2014) so can you please tell weather this will work or not? And If it does not work, then what to do to make it work?

Kartik
  • 175
  • 1
  • 7
  • I suggest that you add current limiting resistors in series with the LEDs or you'll burn them. You can use this calculator to determine their appropriate resistences. – Ricardo May 02 '14 at 13:25
  • The same applies to some of the transistors. If you had named the components, I could have told you which transistors need current limiting resistors. – Ricardo May 02 '14 at 13:27
  • @Ricardo I don't have the transistors right now (because we will get all components on Saturday) but I think it will be BC548. – Kartik May 02 '14 at 13:32
  • You have three transistors with the collector connected directly to Vcc (+) and the emitter connected directly to ground (and the other two connected the same via switches). When any of these the transistors is turned on, you are going to get a puff of smoke and some melted plastic. – tcrosley May 02 '14 at 17:02

5 Answers5

8

When all you have is transistors, it handy to be able to fall back on RTL design techniques.

First of all, you're going to want to be able to latch the first button pressed, since contestants will often just press the button momentarily. Then, when things settle down, the moderator or quiz master can reset the circuit for the next question.

Here's my proposed circuit:

schematic

simulate this circuit – Schematic created using CircuitLab

Consider the circuit for just "contestant A". Q1 is a 2-input NOR gate, and Q2 is a 4-input NOR gate. Together, they form a set-reset flip-flop, via the feedback paths through R4 and R6. There is one other "set" input through R3 (from the button) and three other "reset" inputs: one from the master reset and one from each of the other circuits. It's important to note that any of the reset inputs take priority over the set input. The first contestant to hit his button will set his flip-flop and inhibit all of the others.

Additional Refinements

The basic circuit can be enhanced in a couple of ways.

For one thing, the inputs are contact closures to the power supply. There are a number of reasons you might prefer them to be contact closures to ground, particularly if you'd like to put the buttons into pendants that the contestants hold (possibly using a plug and jack arrangement so that they can be detached). You can add a simple inverter to each input:

schematic

simulate this circuit

For another thing, you might want to have more flexibility in the type of indicators you use. (The basic circuit relies on the fact that the forward voltage drop of the LEDs is sufficient to act as a logical '1' in the feedback path.) In order to drive brighter LEDs, or a string of LEDs, or some other type of indicator, you could add output buffers. This would permit the displays to be driven from a different voltage than the one that powers the logic.

schematic

simulate this circuit

Adding more buttons and indicators with this circuit can become problematic, because the noise margin of this type of NOR gate degrades with higher fan-in (number of inputs per gate). Using diodes would help mitigate this.

schematic

simulate this circuit

Dave Tweed
  • 172,781
  • 17
  • 234
  • 402
  • Finally I understood this circuit. I am making this for 8 teams and that will require a lot of resistors so Can we combine the resistors R6, R7, R8 and R9 (etc.) by placing a single resistor after we combine the wires? – Kartik May 03 '14 at 16:48
  • No, because "combining the wires" would short signals together that need to remain independent. It's important that current through any one of those resistors is enough to turn on the transistor. Are you saying that rather than three, you're going to have 8 buttons and 8 indicators, or are you saying you need to make 8 copies of this 3-button circuit? – Dave Tweed May 03 '14 at 17:04
  • I was saying that I am going to have 8 different buttons and 8 lights. – Kartik May 04 '14 at 04:21
  • OK, then that could be a problem with this circuit. As the Wikipedia article says, this "style" of RTL has the problem of reduced noise margin as the fan-in increases, and with 8 buttons, you'll need 9 inputs (resistors) on each of the right-column transistors. It might be better to switch to a kind of diode-transistor logic -- I'll add another diagram in a bit. – Dave Tweed May 04 '14 at 10:46
  • Follow up question: http://electronics.stackexchange.com/q/109135/41235. – Kartik May 04 '14 at 15:28
4

This problem cries out for logic or a microcontroller. Since you haven't mentioned programming, I will assume you are not skilled in MCU's. Here is a very quick logic diagram of what should work (sorry, I started drawing and ran out of time!). Basically U1 is a 74LS244 or similar, the LTCH boxes are Set/Reset flip-flops and only a single LED is shown (repeat for all Q* outputs).

The theory of operation is that the LS244 is a tristatable gate. It is normally enabled with all inputs pulled up to +5V (only one shown). When one of the pushbuttons is pressed, its state is latched and the corresponding LED lights. At the same time, the output of the latch disables the LS244 so no other button presses will have any effect.

Sorry for the crappy diagram. Hopefully I will have time to come back and make it neater.

schematic

simulate this circuit – Schematic created using CircuitLab

lyndon
  • 4,386
  • 1
  • 17
  • 11
  • Actually when I started making this circuit, I thought about using logic gates, but unfortunately the nearest place where I can get logic gates is 120KM away. :( So I have to use transistors. – Kartik May 02 '14 at 14:08
4

Another approach might be to use one instance of a circuit like the following for each button

schematic

simulate this circuit – Schematic created using CircuitLab

Wire all the "Pos" terminals together, and likewise all the "Neg" terminals. Supply them with something that will limit current to a safe value for an LED (a 9V battery with series resistor might suffice). When none of the SCRs have turned on, enough voltage will be available to activate one when its switch is closed. Once that happens, however, the supply voltage will get pulled down too much for any other buttons to activate their SCRs. Once an SCR is turned on, it will remain on until power is removed (you could use a normally-closed button in series with the supply to do that).

Depending upon the characteristics of the supply and SCRs, it may be necessary to experiment with R1a and R1b. Start by omitting R1b, and size R1a to be a bit smaller than necessary for the button to trip the SCR consistently (when the supply is at its open-circuit voltage). It's possible the circuit might work acceptably without R1b, but if it's possible to activate a light even when another is lit, add a high-value R1b and decrease its value until buttons only work when no lights are lit. If you can't find an SCR conveniently, it may be possible to wire a PNP and NPN transistor back-to-back. Wire the collector of each transistor to the base of the other. The PNP's emitter is equivalent to the SCR anode, the NPN's emitter the cathode, and the node with the PNP collector and NPN base is the gate.

Note that this circuit should be readily extendable to any reasonable number of buttons and lights, and that it will draw essentially zero current when no lights are lit. It may be possible if two buttons are pushed at the exact same moment for two lights to get lit simultaneously; recognizing a tie may be fairer than biasing the machine to always pick a winner.

supercat
  • 46,736
  • 3
  • 87
  • 148
  • Thank you very much for this answer. I do not have SCRs, can I make this using Transistors – Kartik May 03 '14 at 01:49
  • I describe how to substitue transistors for SCRs in the last few sentences of the second paragraph. – supercat May 03 '14 at 02:38
  • Today I tried to check this circuit also but unfortunately it isn't working. You can check this simulation, for example. Plase tell me how to make it work. – Kartik Jul 27 '14 at 07:30
3

Your existing resistors are in the wrong place: the base of T1A should be connected directly to the collector of T1B, and R1 should be in between the collector of T1B and the positive supply. Likewise for R2 and R3.

You need six additional resistors: one in series with each of the three LEDs and one on the base pin of transistors 1B, 2B and 3B.

The value of the resistors depends on your supply voltage. What supply voltage are you planning to use?

Chris Johnson
  • 1,170
  • 9
  • 19
  • I am planning to use 18V. Those resistors are there to make a not gate. When one switch is turned on (eg. B), it will make current from other switches go to the negative terminal instead of going through the resistor. If I would have not placed that resistor, current would have gone equally in both directions. But you are right that I need six more resistors. – Kartik May 02 '14 at 15:14
  • @Kartik I know you want to make a not gate. Do a google search for 'NPN Not gate schematic' and you will see that you need to move R1 between the collector of T1B and the positive supply. If you do not have this, the circuit will not work because the base resistor of T1A will always be held high to the positive supply. Furthermore, when T1B is switched on it will probably burn up, because it has no load resistor. – Chris Johnson May 02 '14 at 15:57
  • I checked Wikipedia; you are right but I don't understand that how it works? – Kartik May 02 '14 at 16:07
  • 1
    Thanks! I suddenly understood that while staring on the diagram! – Kartik May 02 '14 at 16:13
  • Seems that if any two (or all three) switches are closed, then all the LEDs must be off. – Spehro Pefhany May 02 '14 at 18:37
  • Good point. I'm pretty sure this is not the intended behaviour, so have removed my suggested schematic. – Chris Johnson May 02 '14 at 18:50
  • I saw the circuit in the edit. If you place A below Q1, B below Q3 and C below Q5, then I think it will work correctly. – Kartik May 03 '14 at 02:03
2

This doesn't answer your question completely, but right off the bat I can tell that you circuit is missing several current limiting resistors - on the LEDs and on the transistors.

If you had named the components properly on your schematics (like described in heading 1 of Rules and guidelines for drawing good schematics - Use component designators), I could have told you which transistors need current limiting resistors.

But the rule of thumb is, if you close a switch, and replace a transistor that is conducting by a short, you should have something between + and - voltage source terminals that limits the current, ie., a resistor. LEDs, transistors and diodes don't do it very well (if at all), so you need to revisit your circuit to account for that.

For example, add a series resistor to each LED. Make that automatic when you design a circuit. Use this calculator to determine their appropriate resistences.

The same applies to the bases and collectors of transistors 1, 3 and 5, counting from left to right. Transistors 2, 4 and 6 bases have current limiting resistors and their emitters/collectors will be protected by the resistors you'll add for the LEDs.

Unfortunately, I can't tell whether the rest of the circuit will work as planned. I believe that your idea is sound, but I suspect that the current limiting resistors will play a fundamental role in the circuit funcionality. That's because they will determine whether the conducting transistors will turn on or off each respective transistor pair.

Let's wait for someone more knowledgeable to answer that part of your question. Then we'll both learn something new :D

Ricardo
  • 6,164
  • 20
  • 53
  • 89
  • I will add the resistors. Thanks for your suggessions. But do you think the rest of the circuit will work? – Kartik May 02 '14 at 13:38
  • Unfortunately, I can't tell. We'll have to wait for someone more knowledgeable to answer that part of your question. Then we'll both learn something new :D – Ricardo May 02 '14 at 13:41
  • I have named the components now. – Kartik May 02 '14 at 14:27